TWN8-BG

TWN8-BG
TWN8-BG

直線軸承, 軸承座, 超級, 0.5 英寸, 閉合型, 雙, 自調心, Ball Groove; 配合使用 0.5 英寸 直徑 G級 端部支撐應用中的軸


  • 用于末端支撐軸的封閉軸承座。
  • 用于G級導向軸
  • 每個軸承座中都有出廠安裝的滾珠襯套軸承
  • Super Ball Bushing bearing pillow blocks are provided with integral, double acting seals unless otherwise specified

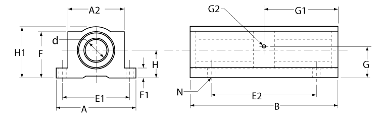
Dimensions

dimensions
尺寸價值
[A]2 英寸
[A2]1.38 英寸
[B]3.5 英寸
[d] 軸,標稱直徑0.5 英寸
[E1]1.688 英寸
[E1] 公差± 0.010 in 
[E2]2.5 英寸
[E2] 公差± 0.010 in 
[F]1.13 英寸
[F1]0.25 英寸
[G]0.59 英寸
[G1]1.75 英寸
[G2] 潤滑接口oil lubricant fitting 
[H]0.687 英寸
[H1]1.25 英寸
[N]0.16 in 

Specifications

Specifications價值
Temperature Max185 °F
UPC編號662486103158 
Weight0.58 lb
材質鋁合金;塑料;橡膠 
單/雙雙 
封閉/開放/可調節閉合型 
可調節(不可調節 = 空白)不可調節 
用于軸系G級 
自對準自調心 

Performance

performance graphic
performance graphic
Performance價值
負載能力,動態510 磅力

Get Quote

*Please fill out the information below so we can best assist you: