SSUPBO08WW
Can't find what you're looking for? Go to the Product Selector
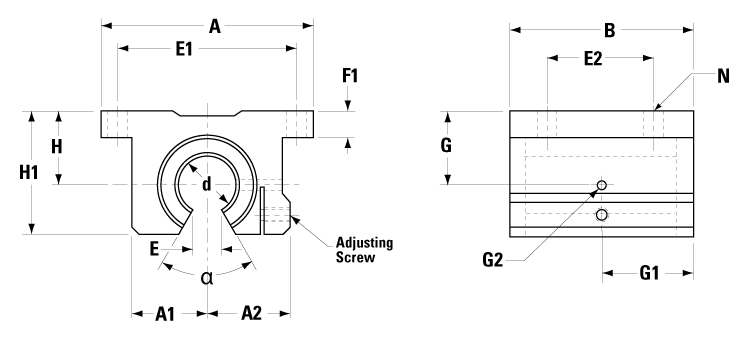
直線軸承, 軸承座, 超智能, 0.5 英寸, 開口型, 自調心, 可調節, 兩端均集成刮塵片; 配合使用 0.5 英寸 直徑 L級 連續支撐應用中的軸
- 用于連續支撐軸的開口型軸承座
- 用于L級導向軸
- 每個軸承座中都有出廠安裝的滾珠襯套軸承
- Each Super Smart Pillow block is complete with integral double acting seals unless otherwise specified
