DDE12-17W41M15PF
Can't find what you're looking for? Go to the Product Selector
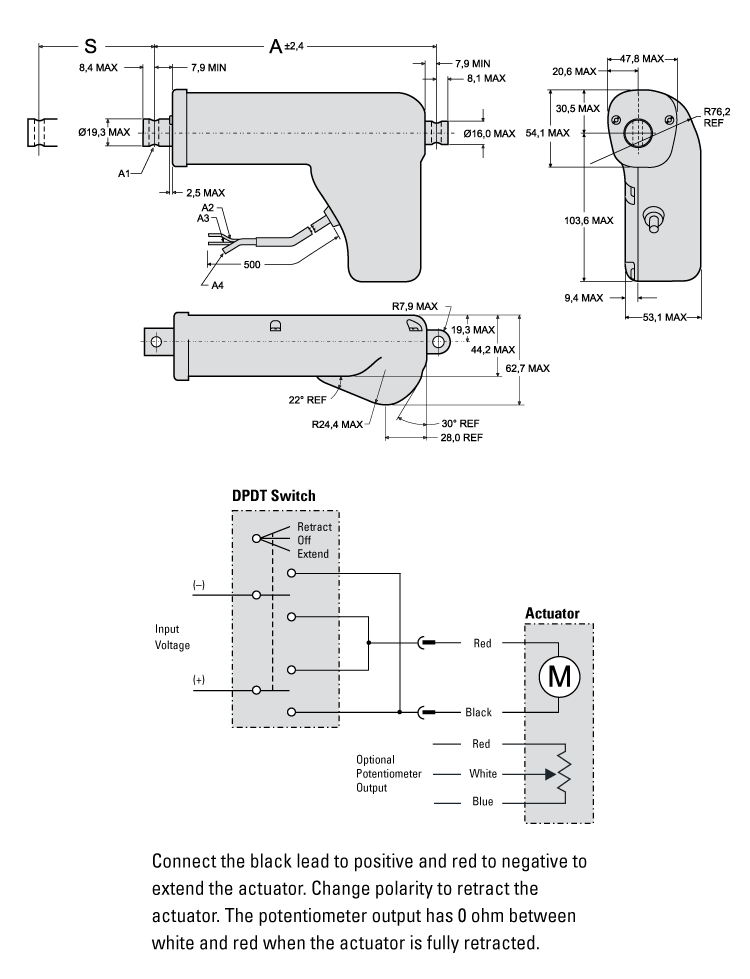
執行器, Electrak 050, 12 直流電壓伏特, 510 N, 150 毫米, 電位計,限位開關, Cable length 500 毫米, Flying Leads, 兩個接頭均處于0° 位置(標準), 9 毫米每秒 移動速度 @ 滿載, 黑色
- 經久耐用且無腐蝕的塑料外殼
- 小巧、安靜、重量輕
- 非常短的縮回長度
- 行程限位開關末端帶有動態制動器
- 免維護
- 內部受限延長管
- 預期壽命最小為40000次循環
